![]() |
![]() |
![]() |
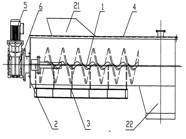
ÂÝÐýÊäËÍ»ú³§¼Ò£ºÎÞÖáÂÝÐýÊäËÍ»úµÄÓÅȱµã¡¡·¢²¼ÈÕÆÚ£º2021/9/23¡¡Àà±ð:¹«Ë¾ÐÂÎÅ¡¡ä¯ÀÀÁ¿: 6107 ´Î ÎÞÖáÂÝÐýÊäËÍ»úÊǽü¼¸ÄêÐËÆðµÄÒ»ÖÖÐÂÐÍÔËÊä»úе,²ÉÓÃÎÞÖÐÐÄÖáÉè¼Æ,½á¹¹¶ÀÌØ,Ö÷ÒªÓɵ綯»ú¡¢¼õËÙ»ú¡¢»úеÃÜ·â¡¢ÈáÐÔÎÞÖáÂÝÐýÌå¡¢U Ðβۼ°±£»¤³ÄÌ×µÈ×é³É,ÆäËûÅäÌ׸½¼þ»¹ÓÐÖ§ÍÈ¡¢¸Ç°å¡¢¶Ë¸Ç¼°·¨À¼µÈ¡£½ñÌìºÍÂÝÐýÊäËÍ»ú³§¼ÒºþÖÝÑǺ¼»·±£Ð¡±àÒ»ÆðÀ´¿´Ò»Ï°ɡ£
ÎÞÖáÂÝÐýÊäËÍ»úµÄÓÅȱµã 1¡¢ÂÝÐý¾ßÓг¬Ç¿ÄÍÄ¥ÐÔºÍÄÍÓÃÐÔ£¬Ê¹ÓÃÊÙÃü³¤¡£ 2¡¢¿¹²øÈÆÐÔÇ¿£ºÎÞÖÐÐÄÖá¸ÉÈÅ£¬¶ÔÓÚÊäËÍ´ø×´¡¢ÒײøÈÆÎïÁÏÓÐÌØÊâµÄÓÅÔ½ÐÔ£¬·ÀÖ¹×èÈûÒýÆðʹʡ£ 3¡¢»·±£ÐÔÄܺ㺲ÉÓÃÈ«·â±ÕÊäËͺÍÒ×ÇåÏ´µÄÂÝÐý±íÃæ£¬¿ÉÒÔ±£Ö¤»·¾³ÎÀÉúºÍËùÊäËÍÎïÁϲ»ÊÜÎÛȾ¡¢²»Ð¹Â©¡£ 4¡¢Å¤¾à´ó¡¢ÄܺĵͣºÓÉÓÚÂÝÐýÎÞÖá¡¢ÎïÁϲ»Ò×¶ÂÈû£¬Òò¶ø¿ÉÒԽϵÍËÙ¶ÈÔËת£¬Æ½ÎÈ´«¶¯£¬½µµÍÄܺġ£ 5¡¢ÊäËÍÁ¿´ó£ºÊäËÍÁ¿ÊÇÏàֱͬ¾¶´«Í³ÓÐÖáÊäËÍ»úµÄ1.5±¶£¬×î´ó¿É´ïµ½120m3/hÒÔÉÏ¡£ÊäË;àÀ볤£¬¿É´ïÊ®¼¸Ã×£¬²¢¿ÉÒÔ¸ù¾ÝÓû§ÐèÒª£¬²ÉÓö༶´®ÁªÊ½°²×°£¬³¬³¤¾àÀëÊäËÍÎïÁÏ£¬ÄÜ»ú¶¯¹¤×÷¡£ 6¡¢½á¹¹½ô´Õ£¬½ÚÊ¡¿Õ¼ä£¬ÍâÐÍÃÀ¹Û£¬²Ù×÷¼ò±ã£¬¾¼ÃÄÍÓã¬ÎÞÐèά»¤¡£
ÎÞÖáÂÝÐýÊäËÍ»úµÄȱµã£º ¡¡¡¡ÊäË͹ý³ÌÖУ¬ÎïÁÏÓë¿ÇÌåºÍÂÝÐýÌåµÄĦ²ÁÒÔ¼°ÂÝÐýÌå¶ÔÎïÁϵĽÁ°è·¶¯£¬ÖÂʹ»ú²ÛºÍÂÝÐýҶƬÒ×ÓÚÄ¥Ëð£¬Í¬Ê±¶ÔÎïÁϾßÓÐÒ»¶¨µÄÆÆËé×÷Óã¬ÇÒÊäË͹¦ÂÊÏûºÄ½Ï´ó¡£ÂÝÐýÊäËÍ»ú¶Ô³¬ÔØÃô¸Ð£¬ÐèÒª¾ùÔȽøÁÏ£¬·ñÔòÈÝÒײúÉú¶ÂÈûÏÖÏó¡£µ±ÂÝÐýÊäËÍ»úÇãб»ò´¹Ö±²¼ÖÃʱ£¬ÆäÊäËÍЧÂʽ«´ó´óϽµ;ÊäËͳ¤¶ÈÊܵ½ÏÞÖÆ¡£Òò´Ë£¬³£±»ÓÃ×÷ˮƽ½Ï¶Ì¾àÀëÊäËÍ¡£ÊäËͳ¤¶ÈÒ»°ãСÓÚ40m£¬´¹Ö±ÊäË͸߶ÈÒ»°ã²»´óÓÚ8m;²»ÊÊÒËÊäËͳ¤ÏËά״¡¢¼áÓ²´ó¿é×´¡¢Ò×Õ³½á³É¿é¼°ÒׯÆËéµÄÎïÁÏ¡£ |
![]() |
Ê×Ò³ | ¹«Ë¾½éÉÜ | ²úƷչʾ | ÐÂÎÅÖÐÐÄ | ¹¤³Ì°¸Àý | ÔÚÏßÁôÑÔ | ÁªÏµÎÒÃÇ | ºǫ́¹ÜÀí ÊÖ¡¡»ú£º152-6827-3722 182-6729-8881 µç¡¡»°£º0572-6800868 µØ¡¡Ö·£ºÕã½Ê¡³¤ÐËÏØÁֳǿª·¢Çø © 2020 ÎÞÖáÂÝÐýÊäËÍ»úÉú²ú³§¼Ò¡ª¡ªºþÖÝÑǺ¼»·±£»úеÉ豸ÓÐÏÞ¹«Ë¾ °æÈ¨ËùÓÐ |
Ö÷´ò²úÆ·£ºÂÝÐýÊäËÍ»ú£ºÎÞÖáÂÝÐýÊäËÍ»ú¡¢ÓÐÖáÂÝÐýÊäËÍ»ú¡¢Ë«ÂÝÐýÊäËÍ»ú¡¢¹ÜʽÂÝÐýÊäËÍ»ú¡¢UÐÍÂÝÐýÊäËÍ»ú¡¢µ¥¹ÜÂÝÐýιÁÏ»ú¡¢¹ÜʽÂÝÐý¸øÁÏ»ú£»¸ñÕ¤³ýÎÛ»ú£»½ÊÁúҶƬ£ºÎÞÖáÂÝÐýҶƬ¡¢ÓÐÖáÂÝÐýҶƬ£»É°Ë®·ÖÀëÆ÷